Время работы:
пн-пт: 9.00 до 18.00
Калининград
Артикул ВР-300-45-10
Доставка по Москве в пределах МКАД: мелкогабаритный груз от 1 000 руб., крупногабаритный груз от 2 500 руб.,
Полный цикл работ: подберем, спроектируем и установим оборудование
Нашли дешевле? Звоните, договоримся!
Заявки принимаются с реквизитами через почтуВентиляторы ВР 300-45 №10 среднего давления для обычных сред предназначены для перемещения воздуха и других газовых смесей, агрессивность которых по отношению к углеродистым сталям, обыкновенного качества, не выше агрессивности воздуха с температурой до + 80 °С, не содержащих пыли и других твердых примесей в количестве более 100 мг/м3, а также липких веществ и волокнистых материалов. Вентиляторы применяются в стационарных системах вентиляции и воздушного отопления производственных, общественных и жилых зданий, а также для других санитарно-технических и производственных целей.

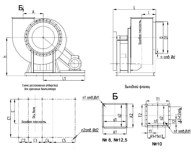
Радиальные вентиляторы ВР 300-45 №10 представляют собой спиральный кожух с расположенном внутри рабочим колесом, при вращении которого, воздух попадающий в канал между его лопатками, двигается в радиальном направлении к периферии колеса, сжимается и под действием центробежной силы отбрасывается в спиральный кожух и далее направляется в выходное отверстие. Радиальные вентиляторы способны перемещать воздух по воздуховодам на значительные расстояния и развивают давление до 12кПа.
Вентиляторы дымоудаления применяются в системах дымоудаления вытяжной вентиляции производственных, административных, жилых и других зданий,кроме категорий А и Б по НТБ 1005-95 ГПС МВД РФ. Среда перемещаемая вентилятором дымоудаления не должна содержать взрывчатых веществ.
В зависимости от назначения вентилятора, лопатки рабочего колеса изготавливают загнутыми веред или назад. Количество лопаток бывает различным. Применение радиальных вентиляторов ВР 300-45 №10 с лопатками, загнутыми назад позволяет экономить электроэнергию на 20%, а вентиляторы с лопатками загнутыми вперед достигают требуемого результата по расходу и напору воздуха, занимая меньше места и создавая меньше шума. Радиальные вентиляторы выпускаются с восемью положениями кожуха. Могут иметь правое и левое вращение, одностороннее и двухстороннее всасывание.Радиальные вентиляторы производятся на одном валу с электродвигателемили с клиноременной передачей. Применяют вентиляторы низкого (до 1кПА),среднего (до 3кПА) и высокого (до 12кПА) давления.
Радиальные вентиляторы общего назначения, низкого и среднего давления применяются в стационарных системах вентиляции, кондиционирования,воздушного отопления, технологических установках и т.д.
Они предназначены для перемещения не взрывоопасных газовых сред с содержанием пыли и других твердых примесей не более 0,1 г/м3, не содержащих липких веществ и волокнистых материалов. Для вентиляторов двухстороннего всасывания (двухсторонних) с расположением ременной передачи в перемещаемой среде температура перемещаемой среды не должна превышать 60 0С.